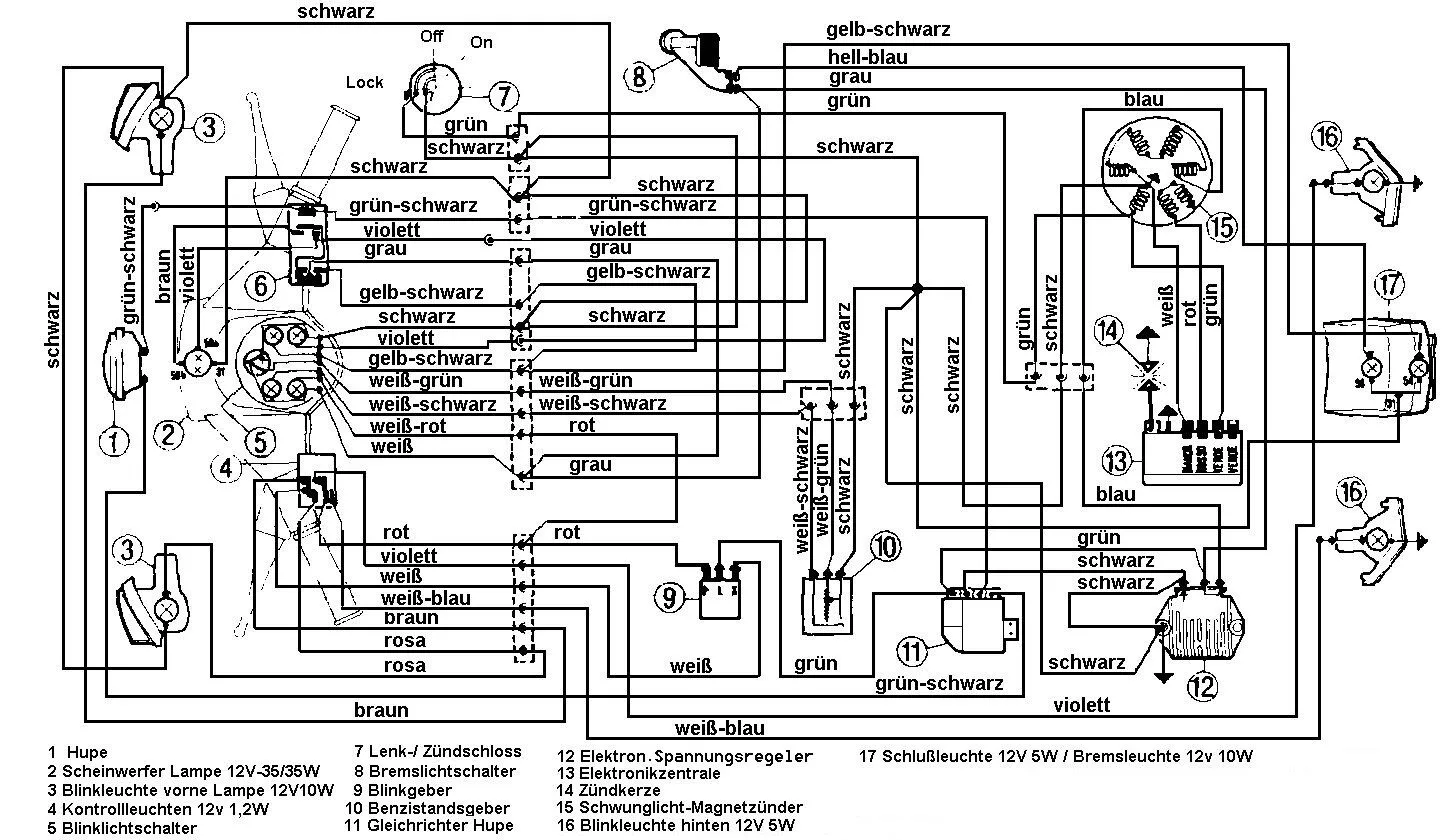
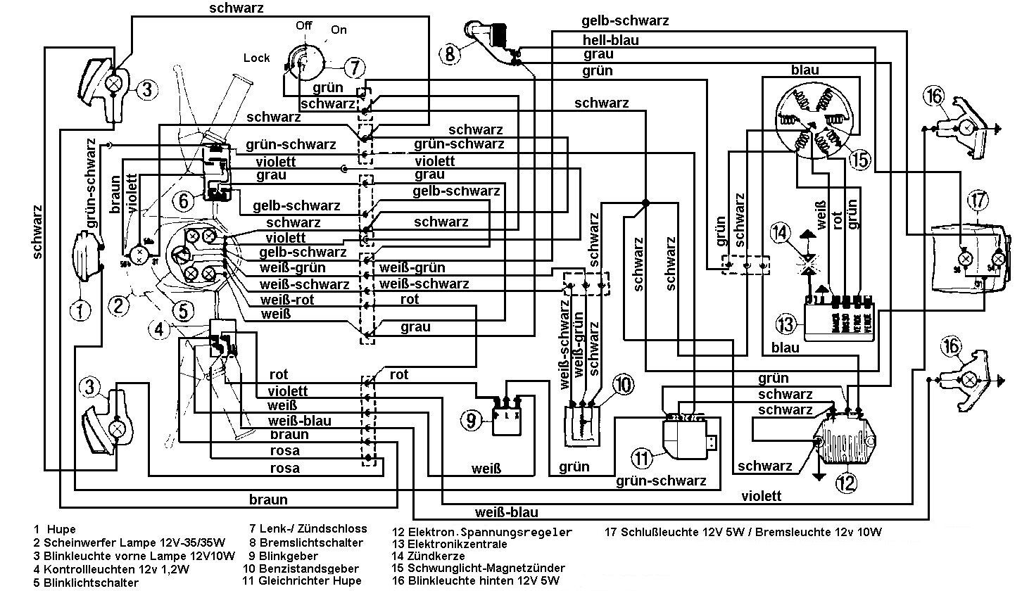
Schaltung Vespa Pk 50 Xl Vespa Pk 50 Xl (1986) In Bayern
Vespa schaltzüge einbauen. Vespa (piaggio) pk 50 xl (v5x3t). Schaltplan v50 elektrik kabelbaum volt 6v farbig blinker verkabelung bremslicht v50n lenkerblinker stromlaufplan vespaonline et3 schaltplaene
schaltung vespa pk 50 xl
Download PDF
If you are {looking for|searching about} Wir über uns! you've {came|visit} to the right {place|web|page}. We have 15 {Pics|Pictures|Images} about Wir über uns! like Vespa Pk 50 Xl Automatik Schaltplan, PIAGGIO VESPA PK 50 XL2 Schaltung Zündspule CDI NEU * - EUR 24,95 and also vespahandel.at: Schaltpläne. {Read more|Here you go|Here it is}:
Wir über uns!


Vespa 50 special elektrik-problem. Vespa schaltzüge einbauen. Piaggio vespa pk 50. Vespa primavera et3
Vespa Schaltzüge Einbauen
Piaggio Vespa PK 50 - 125 Luftfilterkasten für Dellorto SHBC Vergaser
Vespa (Piaggio) PK 50 XL (V5X3T) - Vergaser
Überspannung? PK50 Xl - VespaOnline: Das größte Vespa Forum
Vespa PK 50 XL (1986) in Bayern - Regensburg | Motorroller & Scooter

Komentar
Posting Komentar